Главная страница > Каталог запчастей | Champion | запчасти Чемпион по России и СПБ > Каталог запчастей | Измельчитель | Чемпион запчасти | Champion по России и СПБ Каталог запчастей | Измельчитель Чемпион запчасти | Champion по России и СПБ > SH280 ИЗМЕЛЬЧИТЕЛЬ ЭЛЕКТРИЧЕСКИЙ CHAMPION Каталог запчастей | Измельчитель Чемпион запчасти | Champion по России и СПБ
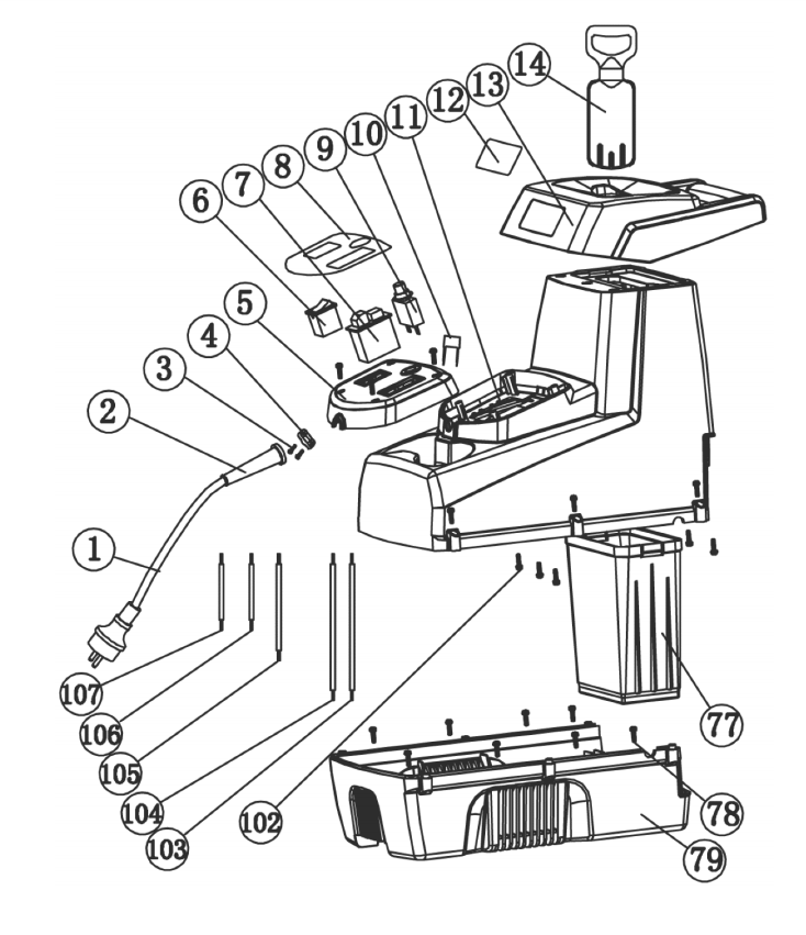
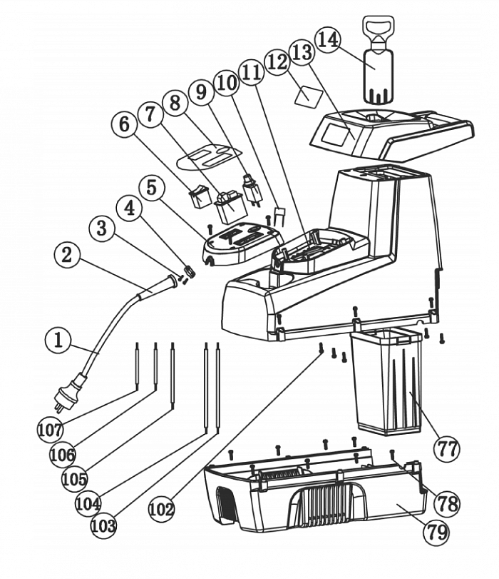
2 КОРПУС ИЗМЕЛЬЧИТЕЛЬ ЭЛЕКТРИЧЕСКИЙ CHAMPION SH280 | ремонт | в СПБ
1 ЯКОРЬ - ЩЕТКИ - СТАТОР - НОЖ - ВЫКЛЮЧАТЕЛЬ ИЗМЕЛЬЧИТЕЛЬ ЭЛЕКТРИЧЕСКИЙ CHAMPION SH280 | ремонт | в СПБ
3 КОЛЕСА - КОРПУС ИЗМЕЛЬЧИТЕЛЬ ЭЛЕКТРИЧЕСКИЙ CHAMPION SH280 | ремонт | в СПБ
| Ссылка № | Артикул | Наименование | Цена | ||
|
1 | 8029-660001 | Кабельпитания | 457 руб. | |
|
2 | 8023-900001 | Втулка кабеля | ||
|
3 | 8SBABC04-14 | Саморез ST4x14 | ||
|
4 | 8053-810001 | Скоба крепежная | ||
|
5 | 8053-66000303 | Панельуправления | ||
|
6 | 8032-660002 | Переключательнаправления | 538 руб. | |
|
7 | 8032-660004 | Выключатель | 1 776 руб. | |
|
8 | GY6600V03BL002-76-01 | Наклейка | 235 руб. | |
|
9 | 8092-660001 | Предохранительперегрузки | 660 руб. | |
|
10 | 8033-660001 | Конденсатор | 91 руб. | |
|
11 | 8142-66000103 | Корпус, верхняя часть | ||
|
12 | GY6600V03BL002-50 | Наклейка | ||
|
13 | 8151-66000101 | Накладка корпуса | ||
|
14 | 8057-600001 | Стерженьдля чистки плоский | 591 руб. | |
|
77 | 8076-66000101 | Горловина направляющая | ||
|
78 | 8SBABC05-20 | Саморез ST5x20 | ||
|
79 | 8142-66000201 | Корпус, нижняя часть | ||
|
102 | 8074-600001 | Саморез ST5x20 | ||
|
103 | 8027-660005 | Провод | ||
|
104 | 8027-660006 | Провод | ||
|
105 | 8027-660002 | Провод | ||
|
106 | 8027-660003 | Провод | ||
|
107 | 8027-660004 | Провод |









