Главная страница > Каталог запчастей | Champion | запчасти Чемпион по России и СПБ > Каталог запчастей | Мотопомпа | Чемпион запчасти | Champion по России и СПБ Каталог запчастей | Мотопомпа Чемпион запчасти | Champion по России и СПБ > GP40 МОТОПОМПА CHAMPION | Запчасти | ремонт | Каталог запчастей | Мотопомпа Чемпион запчасти | Champion по России и СПБ > GP40 | до 2019 года | МОТОПОМПА CHAMPION | Запчасти | ремонт | Каталог запчастей | Мотопомпа Чемпион запчасти | Champion по России и СПБ
1 КОРПУС ПОМПЫ - САЛЬНИК - КРЫЛЬЧАТКА - УЛИТКА МОТОПОМПА CHAMPION GP40 | до 2019 года | Ремонт | Запчасти | в СПБ
2 СТАРТЕР МОТОПОМПА CHAMPION GP40 | до 2019 года | Ремонт | Запчасти | в СПБ
3 КАРБЮРАТОР - ПОРШЕНЬ - КОЛЬЦА - МАГНЕТО - МАХОВИК МОТОПОМПА CHAMPION GP40 | до 2019 года | Ремонт | Запчасти | в СПБ
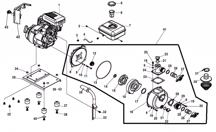
| Ссылка № | Артикул | Наименование | Цена | ||
|
1 | 012010000055 | Двигатель UP154 | ||
|
2 | 511130601601 | Болт М6х16 | ||
|
3 | 029019900405 | Хомут шланга | ||
|
4 | 029019900100 | Шланг топливный | 289 руб. | |
|
5 | DA02P022 | Крышка топливного бака | 164 руб. | |
|
6 | 012020003600 | Фильтр вставка топливного бака | 99 руб. | |
|
7 | 012010003741 | Бак топливный | 1 551 руб. | |
|
8 | 039010100100 | Крышка насоса сторона двигателя | 3 757 руб. | |
|
9 | 513010800001 | Шайба 8 | ||
|
10 | 513010800099 | Шайба | ||
|
11 | 511070806005 | Болт М8х60 | ||
|
12 | 3050002001801 | Сальник крыльчатки механический | 669 руб. | |
|
13 | 3037010002022 | Кольцо уплотнительное корпуса помпы | 231 руб. | |
|
14 | 3050002001801 | Сальник крыльчатки керамический | 669 руб. | |
|
15 | 039010100700 | Крыльчатка | 1 045 руб. | |
|
16 | 039010100800 | Корпус крыльчатки | 1 632 руб. | |
|
17 | 039010100900 | Кольцо уплотнительное корпуса | 364 руб. | |
|
18 | 039010101000 | Корпус помпы сторона фланцев | 3 685 руб. | |
|
19 | 513020800002 | Шайба 8 | ||
|
20 | 511010802503 | Болт М8х25 | ||
|
21 | 039090101000 | Кольцо уплотнительное пробки сливной | 177 руб. | |
|
22 | 660240001-0001 | Пробка сливная/заливная | 91 руб. | |
|
23 | 039010101800 | Прокладка фланца выпускного | 289 руб. | |
|
24 | 039010101900 | Фланец помпы выходной | 931 руб. | |
|
25 | 039010102000 | Кольцо уплотнительное патрубка | 145 руб. | |
|
26 | 039010102100 | Патрубок рукава вход/выход | 253 руб. | |
|
27 | 039010102200 | Гайка фланца | 505 руб. | |
|
28 | 039010101600 | Клапан насоса | 566 руб. | |
|
29 | 039010101700 | Фланец помпы входной | 716 руб. | |
|
30 | 039010102300 | Фильтр всасывающий | 226 руб. | |
|
31 | 039010130000 | Хомут фильтра | 664 руб. | |
|
32 | 0511050801201 | Болт М8х12 | ||
|
33 | 02020000101 | Кронштейн рукоятки | ||
|
34 | 0512040800001 | Гайка М8 | ||
|
35 | 032020010001 | Поддон | ||
|
36 | 029910300215 | Амортизатор | 269 руб. | |
|
37 | 029910300801 | Виброизолятор помпы | 223 руб. | |
|
38 | 511050802501 | Болт М8х25 | ||
|
39 | 029050100701 | Рукоятка | ||
|
40 | 513040800000 | Шайба 8 | ||
|
41 | 039010100000 | Корпус помпы в сборе | 7 639 руб. | |
|
42 | 012010002900 | Панель | 231 руб. | |
|
43 | 029029900303 | Выключатель зажигания | 181 руб. |





