Главная страница > Каталог запчастей | Champion | запчасти Чемпион по России и СПБ > Каталог запчастей | Электропила | Чемпион запчасти | Champion по России и СПБ Каталог запчастей | Электропила Чемпион запчасти | Champion по России и СПБ > 522N-18 ЭЛЕКТРОПИЛА CHAMPION | Запчасти | ремонт | Каталог запчастей | Электропила Чемпион запчасти | Champion по России и СПБ
2 ЯКОРЬ - ЩЕТКИ - СТАТОР | Запчасти для электропилы чемпион 522N-18 |
1 КОРПУС - ЗВЕЗДОЧКА | Запчасти для электропилы чемпион 522N-18 |
3 ВЫКЛЮЧАТЕЛЬ - ШНУР ПИТАНИЯ | Запчасти для электропилы чемпион 522N-18 |
4 БАК - МАСЛОНАСОС | Запчасти для электропилы чемпион 522N-18 |
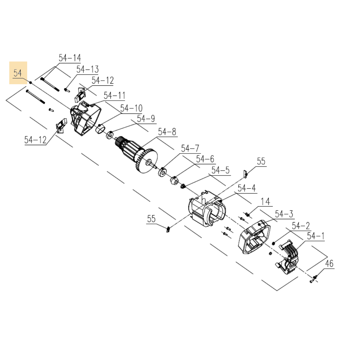
| Ссылка № | Артикул | Наименование | Цена | ||
|
14 | 8SJGB40-16D | Винт самонарезающий | ||
|
46 | 8SJGB40-25D | Винт самонарезающий | ||
|
54 | 101001000650 | Электромотор | ||
|
54-1 | 202031000470 | Кронштейн передний | 335 руб. | |
|
54-2 | 8NH-04D | Гайка | ||
|
54-3 | 202999001597 | Дефлектор электродвигателя | 464 руб. | |
|
54-4 | 8405-481082-0000010 | Статор | 1 474 руб. | |
|
54-5 | 8207-210701-0000000 | Гайка | ||
|
54-6 | 201004000351 | Шестерня ротора конусная | 603 руб. | |
|
54-7 | 8BC-301009-ST | Подшипник 6200Z | 252 руб. | |
|
54-8 | 106001000332 | Ротор | 3 762 руб. | |
|
54-9 | 8BC-220807-ST03 | Подшипник 608Z | 223 руб. | |
|
54-10 | 8333-211001-0000120 | Втулка ротора | 101 руб. | |
|
54-11 | 8291-438402-0001710 | Кронштейн задний | 414 руб. | |
|
54-12 | 199102000007 | Щетки коллекторные | 356 руб. | |
|
54-13 | 8SJGB30-08D | Винт | ||
|
54-14 | 8206-491201-0000000 | Болт | ||
|
55 | 8341-691101-0000110 | Вставка вибродемпфирующая |





