Пн-пт 10.00 - 19.00, сб 10.00 - 17.00
8(812) 989-06-96
       8(812) 987-80-20

Главная страница > Каталог запчастей > Каталог запчастей | Champion | запчасти Чемпион по России и СПБ > Каталог запчастей | Электропила | Чемпион запчасти | Champion по России и СПБ Каталог запчастей | Электропила Чемпион запчасти | Champion по России и СПБ > 522N-18 ЭЛЕКТРОПИЛА CHAMPION | Запчасти | ремонт | Каталог запчастей | Электропила Чемпион запчасти | Champion по России и СПБ
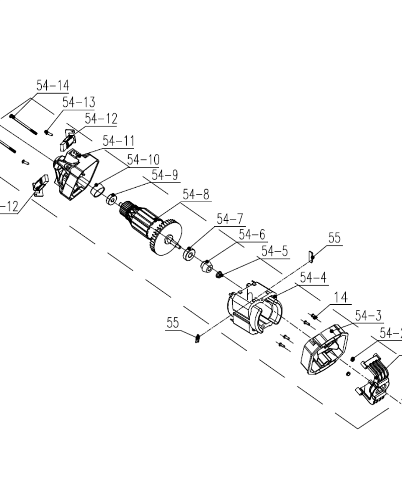
2 ЯКОРЬ - ЩЕТКИ - СТАТОР | Запчасти для электропилы чемпион 522N-18 |
2 ЯКОРЬ - ЩЕТКИ - СТАТОР | Запчасти для электропилы чемпион 522N-18 |
Ссылка № Артикул Кол-во Наименование Включая Цена
14 8SJGB40-16D Винт самонарезающий
46 8SJGB40-25D Винт самонарезающий
54 101001000650 Электромотор
54-1 202031000470 Кронштейн передний
54-2 8NH-04D Гайка
54-3 202999001597 Дефлектор электродвигателя
54-4 8405-481082-0000010 Статор
54-5 8207-210701-0000000 Гайка
54-6 201004000351 Шестерня ротора конусная
54-7 8BC-301009-ST Подшипник 6200Z
54-8 106001000332 Ротор
54-9 8BC-220807-ST03 Подшипник 608Z
54-10 8333-211001-0000120 Втулка ротора
54-11 8291-438402-0001710 Кронштейн задний
54-12 199102000007 Щетки коллекторные
54-13 8SJGB30-08D Винт
54-14 8206-491201-0000000 Болт
55 8341-691101-0000110 Вставка вибродемпфирующая
Оставьте ваши данные и наш менеджер свяжется с вами