Пн-пт 10.00 - 19.00, сб 10.00 - 17.00
8(812) 989-06-96
       8(812) 987-80-20

Главная страница > Каталог запчастей > Каталог запчастей | BEAR CAT Эхо | запчасти Echo по России и СПБ > Каталог запчастей | BEAR CAT Эхо | запчасти Echo по России и СПБ
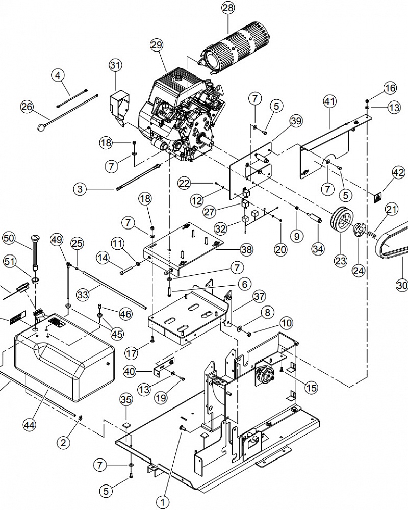
5 Измельчитель BEAR CAT ECHO CH5653
5  Измельчитель BEAR CAT ECHO CH5653
Ссылка № Артикул Кол-во Наименование Включая Цена
1 0103-0113-00 BOLT,1/2X1-1/4CRggR5ZP
2 0123-0429-00 CLAMP,HOSE5/16X5/8DIAMAX
3 14373-00 HOSEASSy,CRANKCASEDRAIN
4 14901-00 CABLE,24"NEg(R/R)
5 15005 BOLT,3/8X3/4HEXHDgR5ZP
6 15008 BOLT,3/8X2HEXHDgR5ZP
7 15031 WASHER,3/8FLATZP
8 15034 WASHER,1/2FLATZP
9 15042 NUT,3/8HEXHDNCZP
10 15049 NUT,1/2CENTERLOCKgRBZP
11 15089 NUT,1/2NCZPJAM
12 15132 WASHER,3/16FLATZP
13 15250 WASHER,5/16FLATZP
14 15285 SETSCREW,1/2X3SQHD1/2DOgPT
15 15301 BOLT,5/16X1CRg
16 15356 NUT,5/16NyLOCK
17 15378 BOLT,3/8X1-1/4CRggR5NCZP
18 15388 NUT,3/8NENyLOCKZP
19 15396 BOLT,5/16X7/8HHCSgR5NCZP
20 15397 NUT,10/24NyLOCKTyPENM,ZP
21 15440 KEy,3/8SQUAREX2LONgPLAIN
22 15460 MACHINESCREW,#10-24X3/4PANHDPHZP
23 16326 SHEAVE,2B5.2SDS
24 16327 BUSHINg,SDS1-7/16"
25 16378 CLAMP,15/32"SPRINg
26 17888 CABLE,33"POS(R/RWITHBOOT)
27 31238-00 RELAy,12VSPDTW/FLANgE
28 31444-00 MUFFLER,SUBARUV-TWIN
29 31459-00 ENgINE,653CCSUBARUEH65
30 31460-00 BELT,2BRP67
31 31489-00 CONTROL,SUBARUV-TWINIgNITION
32 31610-00 HARNESS,CARBSAFETyRELEAy
33 71379 HOSE,20"FUELLINE
34 73678-12 WELDMENT,BELTgUIDE
35 76477-00 PAD,FOAMFUELTANKDAMPER
36 76771-00 HOSE,28"FUELLINE1/4"
37 76793-12 WELDMENT,ENgINEBASE
38 76795-12 WELDMENT,ENgINEMOUNTPLATE
39 76799-12 WELDMENT,BELTSHIELDBRACKET
40 76937-12 WELDMENT,SHIELDBRACKET
41 76975-00 ASSEMBLy,BELTgUIDE,SERVICEPART(IN-
42 12174 DECAL,SHIELDDANgERISO
43 18982-00 DECAL,UNLEADEDgASOLINE
44 32514-00 TANK,9gALROTOMOLDEDFUEL
45 36689-00 gROMMET,TANKFITTINg
46 36690-00 PLUg,TANKVENT
47 36691-00 FITTINg,TANKVENT
48 36692-00 CAP,FUELTANKSEALEDCARB
49 36694-00 FITTINg,TANKFUELPICK-UPTUBE
50 36695-00 gAUgE,FUELLEVELKELCH100
51 36696-00 gROMMET,KELCH100gAUgE
Оставьте ваши данные и наш менеджер свяжется с вами