Пн-пт 10.00 - 19.00, сб 10.00 - 17.00
8(812) 989-06-96
       8(812) 987-80-20

Главная страница > Каталог запчастей > Каталог запчастей | Champion | запчасти Чемпион по России и СПБ > Каталог запчастей | Газонокосилка | Чемпион запчасти | Champion по России и СПБ Каталог запчастей | Газонокосилка | Бензиновая Чемпион запчасти | Champion по России и СПБ > LM5346E ГАЗОНОКОСИЛКА CHAMPION | Запчасти | ремонт | Каталог запчастей | Газонокосилка | Бензиновая Чемпион запчасти | Champion по России и СПБ > LM5346E | до 02.07.2019 года | ГАЗОНОКОСИЛКА CHAMPION | Запчасти | ремонт | Каталог запчастей | Газонокосилка | Бензиновая Чемпион запчасти | Champion по России и СПБ
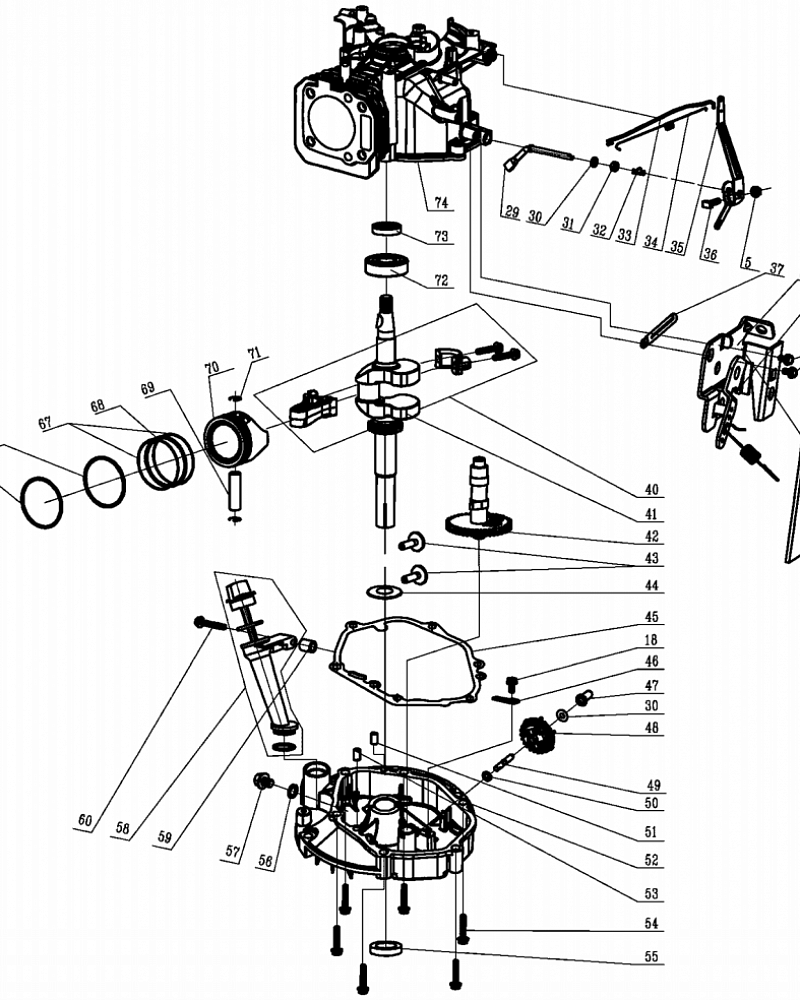
6 ПОРШЕНЬ - КОЛЕНВАЛ - КОЛЬЦА Газонокосилка CHAMPION LM5346E | до 02.07.2019 года | Ремонт | Запчасти | в СПБ
6 ПОРШЕНЬ - КОЛЕНВАЛ - КОЛЬЦА Газонокосилка CHAMPION LM5346E | до 02.07.2019 года | Ремонт | Запчасти | в СПБ
Ссылка № Артикул Кол-во Наименование Включая Цена
5 60140020000 Гайка фланцевая М6
18 60060520000 Болт М6х12
29 75290010000 Ось рычага ограничителя оборотов
30 60200490000 Шайба 6.2?15?0.5
31 380650338-0001 Сальник 6?11?4
32 60300040000 Шплинт пружинный
33 75160030000 Тяга рычага регулятора оборотов
34 60410050000 Пружина тяги
35 75070070000 Рычаг регулятора оборотов
36 60060730000 Болт М6х23
37 60450010000 Держатель топливного шланга
38 75360040000 Панельрычагов
39 60410490000 Пружина рычага газа
40 75460060000 Шатун
41 75510800000 Коленвал
42 DBF005 Распредвал
43 75250010000 Тарелка толкателя
44 60200180000 Шайба 25.5х36?1
45 DQB005 Прокладка крышки картера
46 75280010000 Вал шестерни ограничителя оборотов
47 25070010000 Втулка
48 75520060000 Шестерня ограничителя оборотов
49 75270030000 Вал шестерни ограничителя оборотов
50 60200060000 Шайба 6.5?12?1
51 60280030000 Штифт 8х14
52 75240150000 Крышка картера
53 60280050000 Штифт 9х14
54 60050050000 Болт М8х50
55 60360100000 Сальник 25?38?7
56 60200150000 Шайба сливного болта 0.5?16?1.5
57 60061020000 Болт сливной M10?P1.25?15
58 25200050050 Маслозаливная горловина
59 25080020000 Втулка дистанционная
60 60060630000 Болт М6х50
65 75130110000 Кольцо поршневое
66 75130120000 Кольцо поршневое
67 75090050000 Кольцо направляющее
68 75000060000 Кольцо маслосъемное
69 60310050000 Палец поршневой 18х54
70 12030000402 Поршень
71 60240110000 Кольцо стопорное
72 60010140000 Подшипник
73 60360120000 Сальник 25х40х7
74 75500140000 Картер
125 75010020000 Защита рычага газа
126 60060510000 Болт М6х10
Оставьте ваши данные и наш менеджер свяжется с вами