Пн-пт 10.00 - 19.00, сб 10.00 - 17.00
8(812) 989-06-96
       8(812) 987-80-20

Главная страница > Каталог запчастей > Каталог запчастей | Champion | запчасти Чемпион по России и СПБ > Каталог запчастей | Снегоуборщики | Чемпион запчасти | Champion по России и СПБ > СНЕГОУБОРЩИК CHAMPION ST761E | Запчасти по России | СПБ
4 РЕМЕНЬ - ШКИВ - ДВИГАТЕЛЬ | СНЕГОУБОРЩИК CHAMPION ST761E |Запчасти по России | СПБ
4 РЕМЕНЬ - ШКИВ - ДВИГАТЕЛЬ | СНЕГОУБОРЩИК CHAMPION ST761E |Запчасти по России | СПБ
Ссылка № Артикул Кол-во Наименование Включая Цена
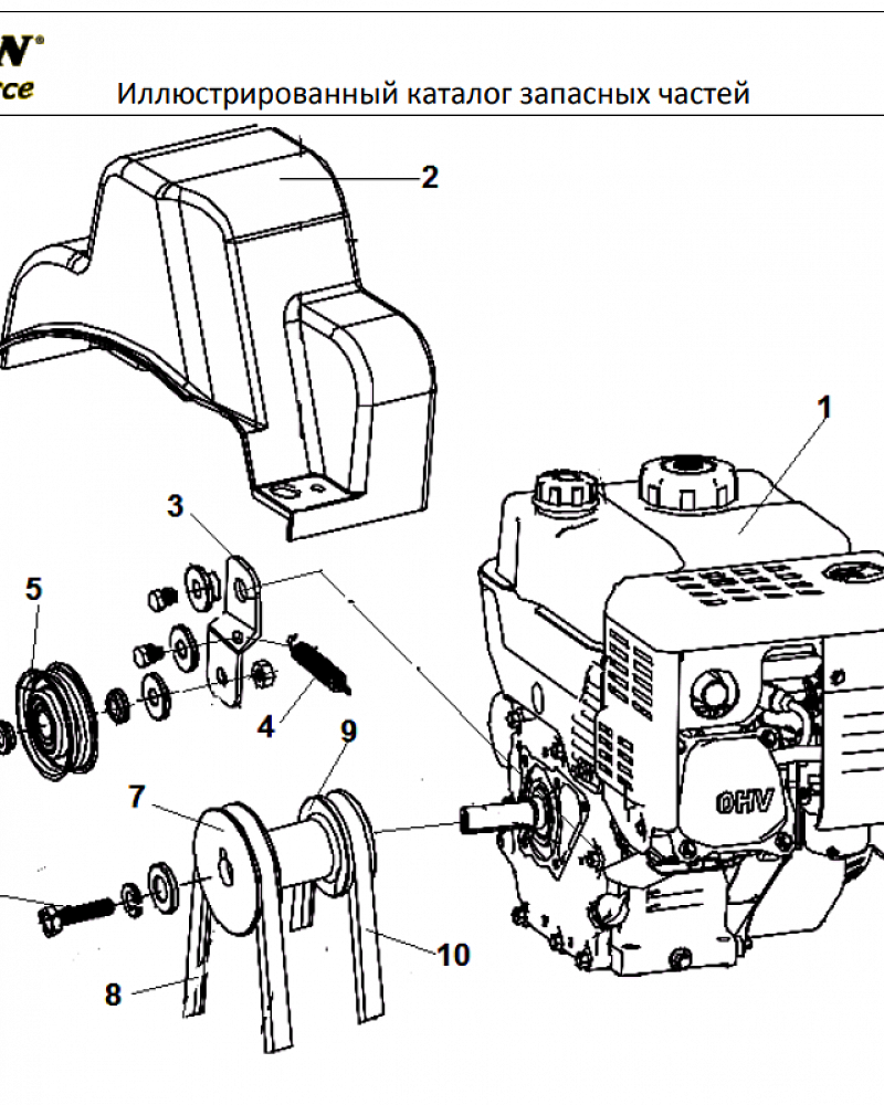
1 Двигатель
2 SJ-031 Кожух ремней
3 SJ-45 Кронштейн ролика натяжения
4 SJ-035-1 Пружина кронштейна
5 SX-11-170 Ролик натяжения ремня
6 HFB-8х25 Болт крепления шкива М8х1,25
7 SJ-049B Шкив ремня привода шнека
8 LB4L-885 Ремень привода шнека 4L-885
9 SJ-049 Шкив ремня привода хода
10 TB-5Mx750 Ремень привода хода
Оставьте ваши данные и наш менеджер свяжется с вами