Пн-пт 10.00 - 19.00, сб 10.00 - 17.00
8(812) 989-06-96
       8(812) 987-80-20

Главная страница > Каталог запчастей > Каталог запчастей | Champion | запчасти Чемпион по России и СПБ > Каталог запчастей | Снегоуборщики | Чемпион запчасти | Champion по России и СПБ > СНЕГОУБОРЩИК CHAMPION STT1170E |Запчасти по России | СПБ
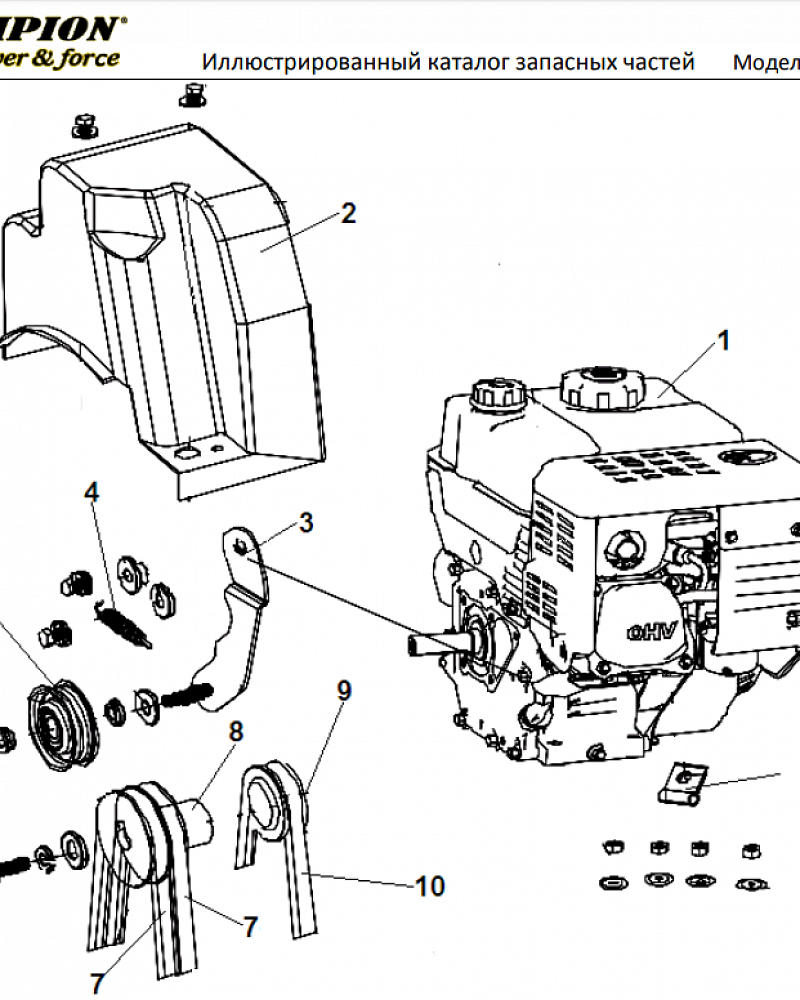
4 РЕМЕНЬ - ШКИВ - ДВИГАТЕЛЬ | СНЕГОУБОРЩИК CHAMPION STT1170E |Запчасти по России | СПБ
4 РЕМЕНЬ - ШКИВ - ДВИГАТЕЛЬ | СНЕГОУБОРЩИК CHAMPION STT1170E |Запчасти по России | СПБ
Ссылка № Артикул Кол-во Наименование Включая Цена
1 Двигатель
2 SX-11-180 Кожух ремня
3 SX-11-173 Кронштейн крепления ролика
4 SJ-035-1 Пружина кронштейна
5 SX-11-170 Ролик натяжения ремня
6 HFB-8х25 Болт крепления шкива М8х25
7 4LXA-930 Ремень привода шнека
8 SX-11-168A Шкив ремня привода шнека
9 SX-11-168B-14 Шкив ремня привода хода
10 TB-5Mx825 Ремень привода хода
Оставьте ваши данные и наш менеджер свяжется с вами