Пн-пт 10.00 - 19.00, сб 10.00 - 17.00
8(812) 989-06-96
       8(812) 987-80-20

Главная страница > Каталог запчастей > Каталог запчастей | Champion | запчасти Чемпион по России и СПБ > Каталог запчастей | Генератор | Электростанция Чемпион запчасти | Champion по России и СПБ Каталог запчастей | Генератор | Электростанция Чемпион запчасти | Champion по России и СПБ > DG6000E ГЕНЕРАТОР CHAMPION | Запчасти | ремонт | Каталог запчастей | Генератор | Электростанция Чемпион запчасти | Champion по России и СПБ
4 | МАГНЕТО, ЭЛЕКТРОСТАРТЕР | DG6000E Дизельный генератор | Запчасти, сервис, ремонт
4 | МАГНЕТО, ЭЛЕКТРОСТАРТЕР | DG6000E Дизельный генератор | Запчасти, сервис, ремонт
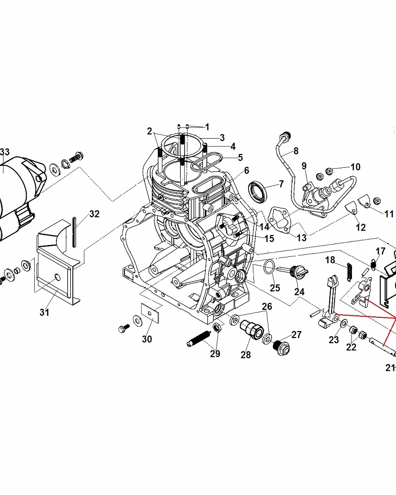
Ссылка № Артикул Кол-во Наименование Включая Цена
1 514010400800 Штифт 4х8
2 011030005001 Шпилька короткая
3 011030005001 Прокладка головки цилиндра, комплект 0,1-0,5 мм
4 011030005402 Шпилька длинная
5 011030000400 Прокладка толкателей
6 110050227302 Картер
7 522010101102 Сальник коленвала 35х50х8
8 011030004700 Топливопровод ВД
9 011030530001 ТНВД нового образца с клапаном.
10 512040600002 Гайка М6
11 019990007600 Плата крепления ТНВД
12 019990007500 Прокладка платы
13 019990007400 Прокладка ТНВД
14 019990007300 Шпилька крепления ТНВД длинная
15 019990007200 Шпилька крепления ТНВД короткая
16 019990011500 Панель рычагов
17 019990011400 Пружина 1
18 011030005900 Пружина 2
19 011030005800 Рычаг управления ТНВД, комплект
20 522010101301 Сальник 8х14х14
21 011030006101 Шайба 1 мм
22 521030100101 Подшипник игольчатый
23 011030006102 Шайба 1,5 мм
24 019990007900 Крышка-щуп
25 523010100300 Уплотнительное кольцо 26х3,55
26 019990007100 Шайба уплотнительная
27 019990007000 Болт сливного отверстия
28 029990000102 Патрубок для слива масла
29 011030000200 Контрольный болт
30 019990007700 Плата крепления подшипника
31 011030000600 Воздуховод
32 019990008100 Уплотнение воздуховода
33 2039000000012 Стартер электрический
Оставьте ваши данные и наш менеджер свяжется с вами