Пн-пт 10.00 - 19.00, сб 10.00 - 17.00
8(812) 989-06-96
       8(812) 987-80-20

Главная страница > Каталог запчастей > Каталог запчастей | Champion | запчасти Чемпион по России и СПБ > Каталог запчастей | Бензопила бензиновая | Чемпион запчасти | Champion по России и СПБ Каталог запчастей | Бензопила бензиновая Чемпион запчасти | Champion по России и СПБ > 254 БЕНЗОПИЛА CHAMPION | обновлена схема после 15.01.2023 года | Запчасти | ремонт | Каталог запчастей | Бензопила бензиновая Чемпион запчасти | Champion по России и СПБ
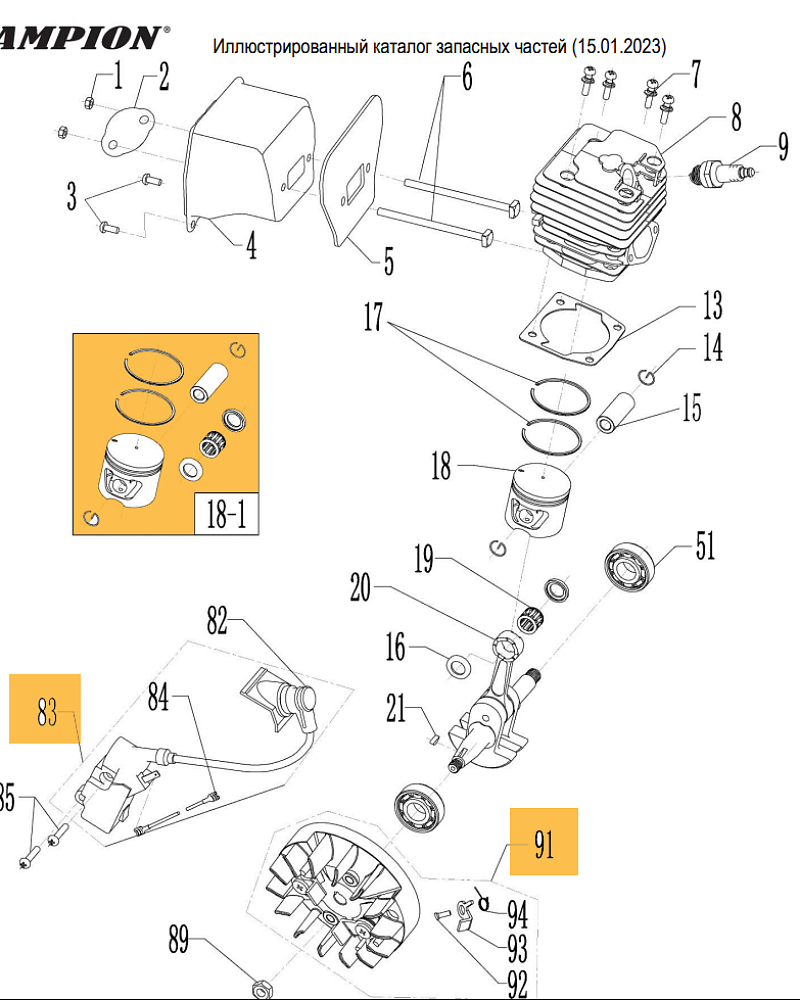
1 | Запчасти для бензопилы чемпион 254 | обновлена деталировка после 15.01.2023 года | ПОРШЕНЬ - ЦИЛИНДР - СВЕЧА - МАХОВИК - МАГНЕТО |
1 |  Запчасти для бензопилы чемпион 254 | обновлена деталировка после 15.01.2023 года  | ПОРШЕНЬ - ЦИЛИНДР - СВЕЧА - МАХОВИК - МАГНЕТО  |
Ссылка № Артикул Кол-во Наименование Включая Цена
1 5020010500 Гайка М5 крепления глушителя
2 4006003101 Пластина крепления глушителя
3 5010605121 Винт М5х12
4 4006001206 Глушитель
5 4019003110 Прокладкаглушителя
6 04040102002 Болт М5х85 закладной
7 5010080522 Винт М5х20 крепления цилиндра
8 4002001106 Цилиндр D 45,2мм
9 PR7Y Свеча зажигания
13 04060305003 Прокладкацилиндра
14 4004004104 Кольцо стопорное
15 4004003104 Палец поршня
16 4004005102 Шайба поршневого пальца
17 4004002104 Кольцо поршневое 45,2х1,2
18 3002100102 Поршень
18-1 3002100102 Поршень в сборе
19 5080081112 Подшипник поршневого пальца
20 4003001205 Коленвал
21 5060010310 Шпонка
51 04035303008 Подшипник 6202
82 4009013101 Колпачок свечи
83 4009002102 Магнето
84 4009003102 Провод выключателя зажигания
85 5010705201 Винт М5х20
89 YD2500-92102 Гайка М8х1 крепления маховика
91 4009001102 Маховик
92 5011606001 Винт
93 4012005106 Собачка стартера
94 4012006106 Пружина
Оставьте ваши данные и наш менеджер свяжется с вами