Пн-пт 10.00 - 19.00, сб 10.00 - 17.00
8(812) 989-06-96
       8(812) 987-80-20

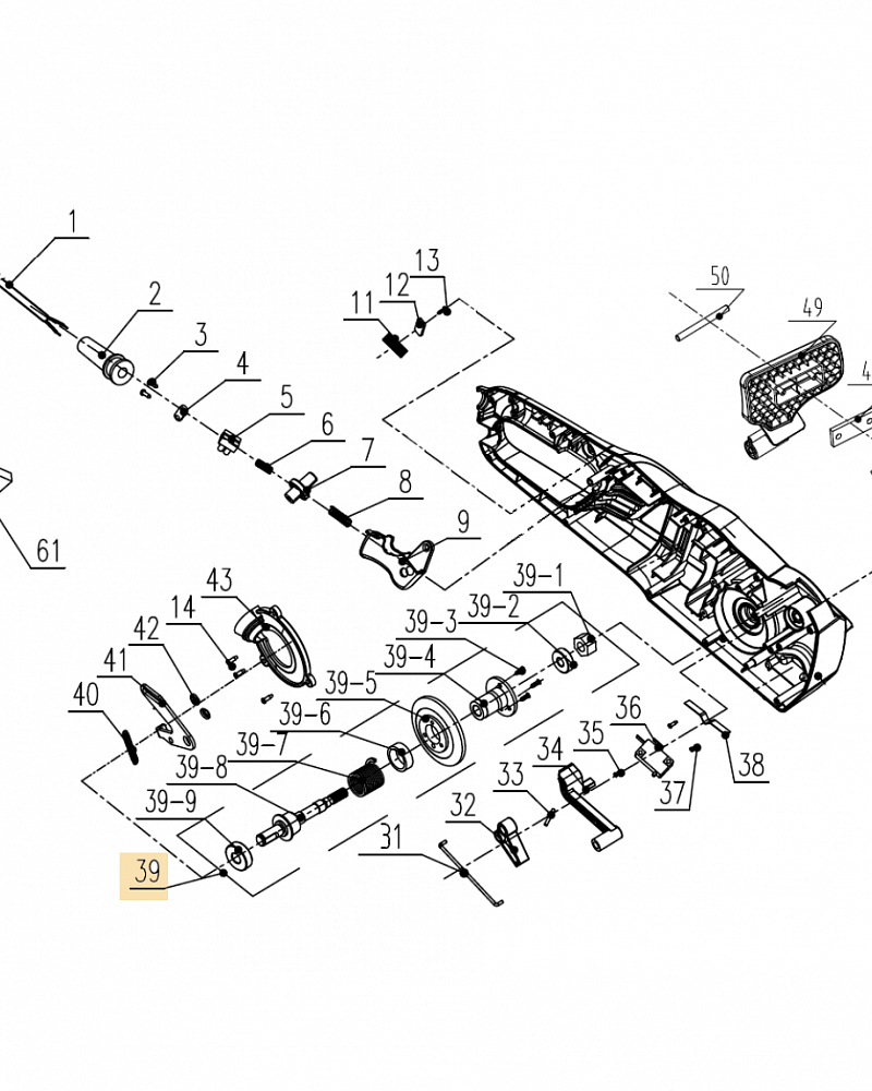
Главная страница > Каталог запчастей > Каталог запчастей | Champion | запчасти Чемпион по России и СПБ > Каталог запчастей | Электропила | Чемпион запчасти | Champion по России и СПБ Каталог запчастей | Электропила Чемпион запчасти | Champion по России и СПБ > 522N-18 ЭЛЕКТРОПИЛА CHAMPION | Запчасти | ремонт | Каталог запчастей | Электропила Чемпион запчасти | Champion по России и СПБ
3 ВЫКЛЮЧАТЕЛЬ - ШНУР ПИТАНИЯ | Запчасти для электропилы чемпион 522N-18 |
3 ВЫКЛЮЧАТЕЛЬ - ШНУР ПИТАНИЯ | Запчасти для электропилы чемпион 522N-18 |
Ссылка № Артикул Кол-во Наименование Включая Цена
1 8422-000007-0000020 Кабель питания с вилкой
2 207090100004 Втулка кабельная
3 8SJGB40-12D Винт
4 8184-282102-0001720 Хомут кабельный
5 8411-522201-0000030 Колодка клеммная
6 8342-463002-0000000 Пружина курка
7 8312-433501-0016610 Кнопка разблокировки включения
8 8342-740201-0000000 Пружина кнопки
9 202004001219 Курок
11 8326-491801-0000010 Демпфер
12 8186-752801-0000010 Пластина
13 8SNAB30-10D Винт самонарезающий
31 201053000026 Тяга газа
32 202022000145 Рычаг промежуточный
33 8086-438401 Палец рычага
34 202022000144 Рычаг тормоза
35 8SJGB30-16D Винт самонарезающий
36 8042-481603-0000010 Микровыключатель
37 8SNAB30-08D Винт самонарезающий
38 8324-481201-0000000 Пластина рессорная
39 8440-435704-0000000 Шестерня ведомая, комплект
39-1 8NH-08D Гайка М8
39-2 8BC-220807-ST Подшипник 608Z
39-3 8SEAD04-10D Болт
39-4 8347-433902-0000000 Вал ведомой шестерни
39-5 8123-433902-0000000 Шестерня ведомая
39-6 8063-433901-0000000 Втулка
39-7 8342-433901-0000000 Пружина тормоза
39-8 8085-433901-0000000 Вал шестерни ведомой
39-9 04035304001 Подшипник 6000-2RS
40 8342-435302-0000000 Пружина рычага
41 201028000007 Рычаг тормозной
42 207280100004 Втулка
43 202079000025 Крышка защитная
47 8SNAB29-12D Винт самонарезающий
48 8302-438801-0000000 Пластина
49 202184000038 Ручка тормоза
50 8081-438801-0000000 Ось ручки тормоза
61 8416-000007-0000020 Конденсатор
Оставьте ваши данные и наш менеджер свяжется с вами