Пн-пт 10.00 - 19.00, сб 10.00 - 17.00
8(812) 989-06-96
       8(812) 987-80-20

Главная страница > Каталог запчастей > Каталог запчастей | Champion | запчасти Чемпион по России и СПБ > Каталог запчастей | Газонокосилка | Чемпион запчасти | Champion по России и СПБ Каталог запчастей | Газонокосилка | Бензиновая Чемпион запчасти | Champion по России и СПБ > LM4627 ГАЗОНОКОСИЛКА CHAMPION | Запчасти | ремонт | Каталог запчастей | Газонокосилка | Бензиновая Чемпион запчасти | Champion по России и СПБ > LM4627 | после 2019 года | после номера s/n 32031902401 | ГАЗОНОКОСИЛКА CHAMPION | Запчасти | ремонт | Каталог запчастей | Газонокосилка | Бензиновая Чемпион запчасти | Champion по России и СПБ
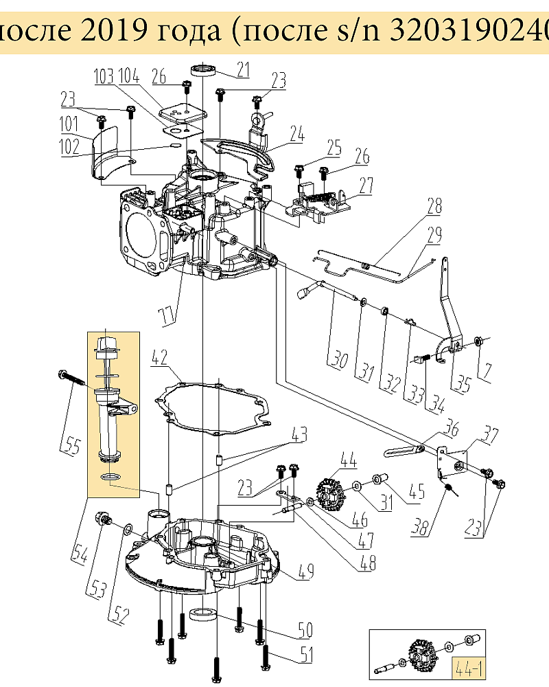
5 | ГОЛОВКА БЛОКА | Запчасти для газонокосилки чемпион | LM4627 после 2019 года | после номера s/n 32031902401 | Поставка по России | Сервис - Ремонт
5 | ГОЛОВКА БЛОКА  | Запчасти для газонокосилки чемпион |  LM4627  после 2019 года |  после номера s/n 32031902401 | Поставка по России | Сервис - Ремонт
Ссылка № Артикул Кол-во Наименование Включая Цена
21 60360090000 Сальник 22х35х7 верхний
23 60060520000 Болт М6х12
24 75330070000 Кронштейн топливного бака
25 60060550000 Болт М6х18
26 60060530000 Болт М6х14
27 75380900000 Выключатель зажигания
28 60410770000 Пружина
29 75160060000 Тяга
30 75290010000 Рычаг
31 60200490000 Шайба 6,2х15х0,5
32 380650338-0001 Сальник 6х11х4
33 60300040000 Шплинт
34 60060730000 Болт с квадр. головкой М6х23
35 75070040000 Тяга
36 60450010000 Держатель троса
37 75360010000 Пластина
38 60410760000 Пружина
42 75720240000 Прокладка крышки картера
43 60280030000 Штифт направляющий
44 75520060000 Регулятор оборотов центробежный
44-1 75520060000 Регулятор оборотов в сборе
45 25070010000 Втулка оси регулятора
46 60200060000 Шайба 6,5х12х1
47 75280020000 Хомут крепления оси
48 75270030000 Ось регулятора
49 75240120000 Крышка картера
50 380650335-0001 Сальник 25х38х7 нижний
51 60060590000 Болт М6х30
52 GFB02000 Шайба уплотнительная 10х16х1,5
53 60061020000 Болт сливной М10х1,25х15
54 25200130050 Горловина в сборе со щупом
55 60060630000 Болт М6х50
77 75500160000 Картер
101 75030110000 Пыльник
102 75100030000 Клапан сапуна
103 75720310000 Прокладка клапана вент. картера
104 75400030000 Крышка
Оставьте ваши данные и наш менеджер свяжется с вами