Пн-пт 10.00 - 19.00, сб 10.00 - 17.00
8(812) 989-06-96
       8(812) 987-80-20

Главная страница > Каталог запчастей > Каталог запчастей | Champion | запчасти Чемпион по России и СПБ > Каталог запчастей | Газонокосилка | Чемпион запчасти | Champion по России и СПБ Каталог запчастей | Газонокосилка | Бензиновая Чемпион запчасти | Champion по России и СПБ > LM4627 ГАЗОНОКОСИЛКА CHAMPION | Запчасти | ремонт | Каталог запчастей | Газонокосилка | Бензиновая Чемпион запчасти | Champion по России и СПБ > LM4627 | после 2019 года | после номера s/n 32031902401 | ГАЗОНОКОСИЛКА CHAMPION | Запчасти | ремонт | Каталог запчастей | Газонокосилка | Бензиновая Чемпион запчасти | Champion по России и СПБ
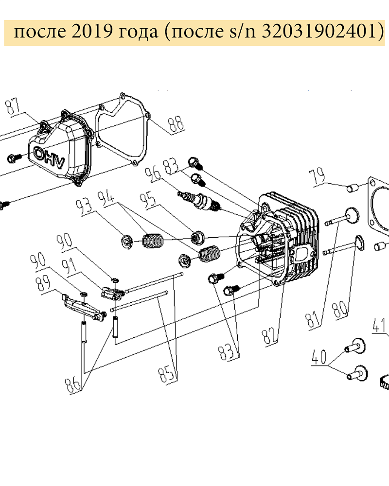
7 | КЛАПАНА | Запчасти для газонокосилки чемпион | LM4627 после 2019 года | после номера s/n 32031902401 | Поставка по России | Сервис - Ремонт
7 | КЛАПАНА | Запчасти для газонокосилки чемпион |  LM4627  после 2019 года |  после номера s/n 32031902401 | Поставка по России | Сервис - Ремонт
Ссылка № Артикул Кол-во Наименование Включая Цена
26 60060530000 Болт М6х14
40 75250010000 Тарелка толкателя
41 23020135001000 Распредвал
78 120150086-0001 Прокладка головки цилиндра
79 60280020000 Штифт направляющий
80 DAF006 Клапан выпускной
81 DCF007 Клапан впускной
82 75490090000 Головка цилиндра
83 60050030000 Болт М8х45
85 75350030000 Штанга (толкатель)
86 75290050000 Ось коромысла
87 75080040000 Крышка клапанов
88 75720300000 Прокладка крышки клапанов
89 75230031000 Коромысло выпускного клапана
90 60240290000 Кольцо стопорное
91 75230030000 Коромысло впускного клапана
93 75180010000 Сухарь клапана
94 60380090000 Пружина клапана
95 60360130000 Колпачок маслосъемный
96 LR5YC Свеча зажигания
Оставьте ваши данные и наш менеджер свяжется с вами