Пн-пт 10.00 - 19.00, сб 10.00 - 17.00
8(812) 989-06-96
       8(812) 987-80-20

Главная страница > Каталог запчастей > Каталог запчастей | Champion | запчасти Чемпион по России и СПБ > Каталог запчастей | Газонокосилка | Чемпион запчасти | Champion по России и СПБ Каталог запчастей | Газонокосилка | Бензиновая Чемпион запчасти | Champion по России и СПБ > LM5131 ГАЗОНОКОСИЛКА CHAMPION | Запчасти | ремонт | Каталог запчастей | Газонокосилка | Бензиновая Чемпион запчасти | Champion по России и СПБ > LM5131 | после 2019 года | после s/n 32081901201 | ГАЗОНОКОСИЛКА CHAMPION | Запчасти | ремонт | Каталог запчастей | Газонокосилка | Бензиновая Чемпион запчасти | Champion по России и СПБ
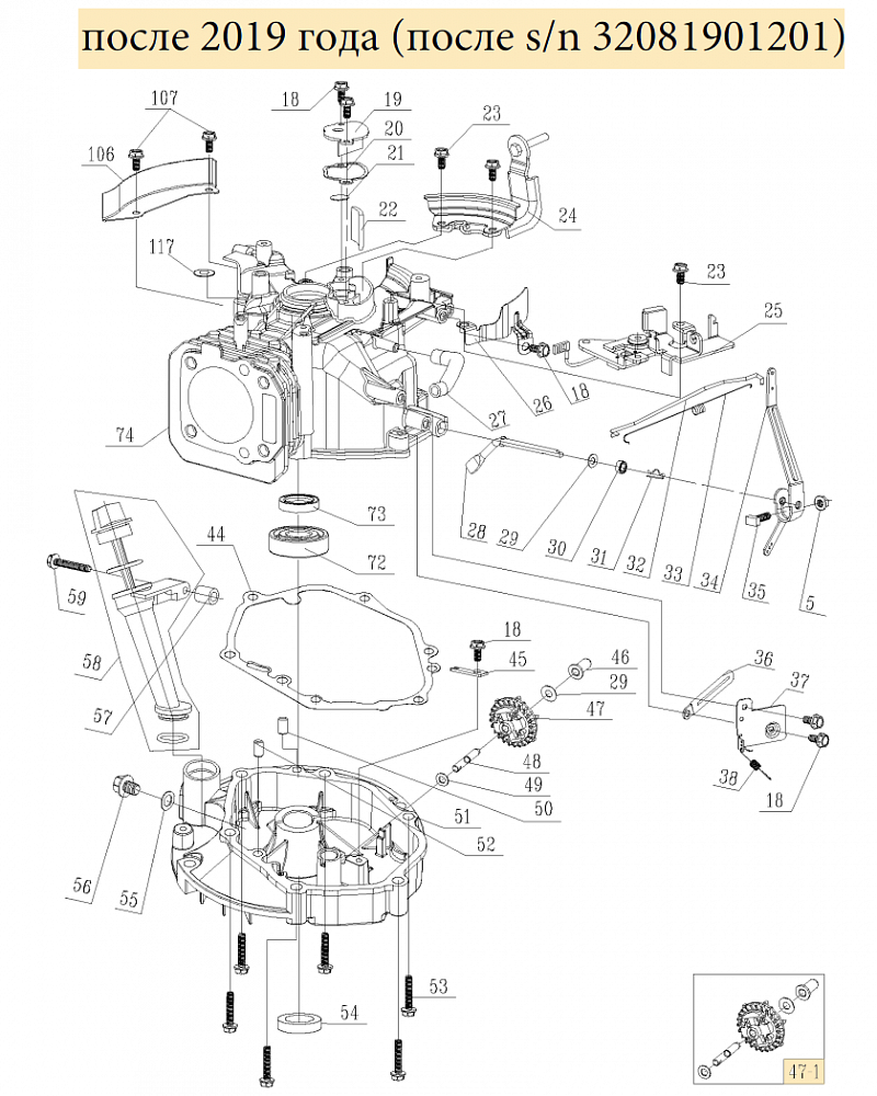
5 | ГОЛОВКА БЛОКА | Запчасти для газонокосилки чемпион | LM5131 после 2019 года | после номера s/n 32081901201 | Сервис - Ремонт
5 | ГОЛОВКА БЛОКА  | Запчасти для газонокосилки чемпион |  LM5131  после 2019 года |  после номера s/n 32081901201 | Сервис - Ремонт
Ссылка № Артикул Кол-во Наименование Включая Цена
5 60140020000 Гайка М6
18 60060520000 Болт М6х12
19 75110010000 Крышка клапана вент. картера
20 75720160000 Прокладка
21 75100030000 Клапан вентиляции
22 75150010000 Сетка сапуна
23 60060530000 Болт М6х14
24 75330060000 Опора бака
25 75380080000 Выключатель зажигания
26 75030070000 Дефлектор
27 25030020000 Шланг сапуна
28 75290010000 Вал рычага рег. оборотов
29 60200490000 Шайба 6,2х15х0,5
30 380650338-0001 Сальник 6х11х4
31 60300040000 Шплинт
32 75160030000 Тяга
33 60410050000 Пружина
34 75070030000 Рычаг
35 60060730000 Болт М6х23 с Т-обр. головкой
36 60450010000 Держатель кабеля
37 75360010000 Кронштейн
38 60410500000 Пружина
44 DQB005 Прокладка картера
45 75280010000 Пластина крепления вала
46 25070010000 Втулка
47 75520060000 Регулятор оборотов
47-1 75520060000 Регулятор оборотов в сборе
48 75270030000 Вал регулятора
49 60200060000 Шайба 6,5х12х1
50 60280030000 Штифт установочный 8х14
51 75240150000 Крышка картера
52 60280050000 Штифт установочный 9х14
53 60050050000 Болт М8х50
54 C5Y402507 Сальник 25х40х7
55 GFB02000 Шайба уплотнительная 10,5х16х1,5
56 60061020000 Болт сливной М10х15х1,25
57 25080020000 Втулка
58 25200050050 Горловина со щупом
59 60060630000 Болт М6х50
72 27606205 Подшипник 6205
73 380650335-0001 Сальник 25х38х7
74 75500150000 Картер D 70мм
106 75030020000 Дефлектор
107 60060540000 Болт М6х16
117 60200140000 Шайба 6,5х12х1,5
Оставьте ваши данные и наш менеджер свяжется с вами