Пн-пт 10.00 - 19.00, сб 10.00 - 17.00
8(812) 989-06-96
       8(812) 987-80-20

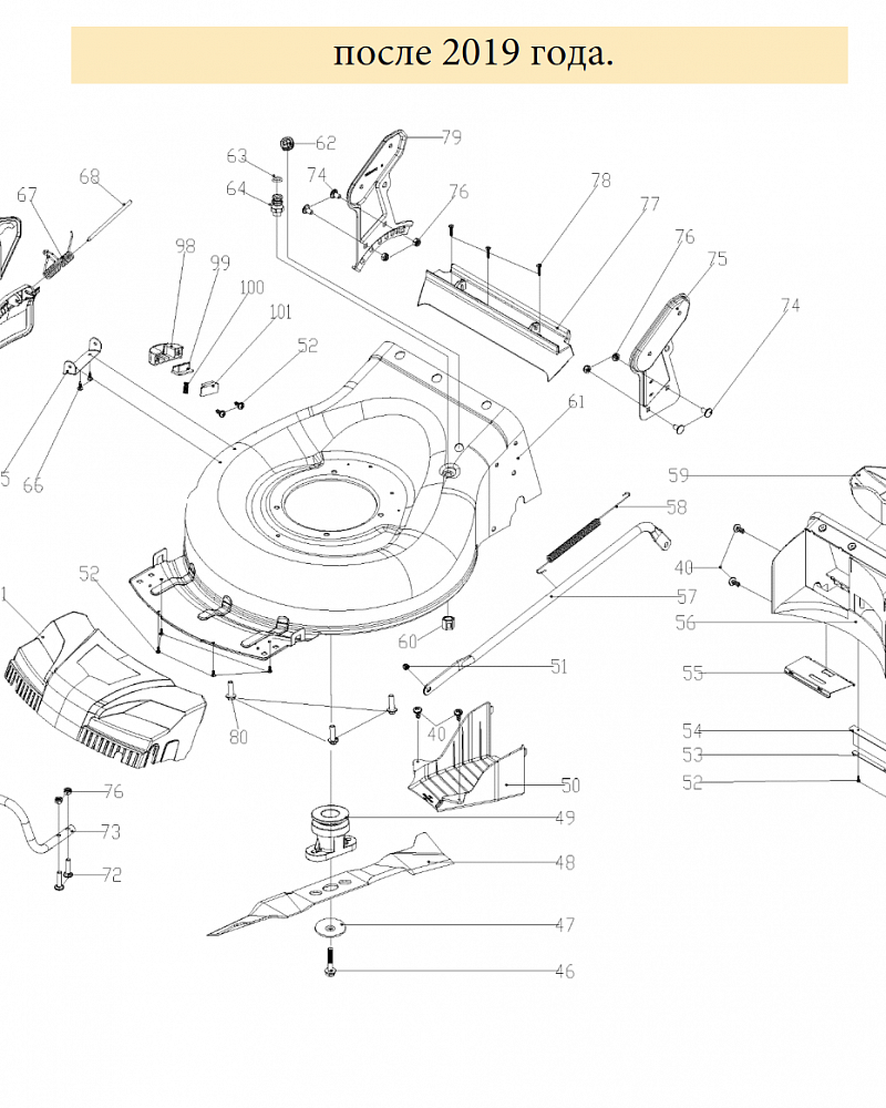
Главная страница > Каталог запчастей > Каталог запчастей | Champion | запчасти Чемпион по России и СПБ > Каталог запчастей | Газонокосилка | Чемпион запчасти | Champion по России и СПБ Каталог запчастей | Газонокосилка | Бензиновая Чемпион запчасти | Champion по России и СПБ > LM5345BS ГАЗОНОКОСИЛКА CHAMPION | Запчасти | ремонт | Каталог запчастей | Газонокосилка | Бензиновая Чемпион запчасти | Champion по России и СПБ > LM5345BS после 2019 года | ГАЗОНОКОСИЛКА CHAMPION | Запчасти | ремонт | Каталог запчастей | Газонокосилка | Бензиновая Чемпион запчасти | Champion по России и СПБ
1 | НОЖ - АДАПТЕР | Запчасти для газонокосилки чемпион | LM5345BS после 2019 года | Поставка запчастей по России | Сервис - Ремонт |
1 | НОЖ - АДАПТЕР | Запчасти для газонокосилки чемпион |  LM5345BS  после 2019 года |  Поставка запчастей по России | Сервис - Ремонт |
Ссылка № Артикул Кол-во Наименование Включая Цена
40 60170290000 Винт самонарезающий 6,3х14
46 60100020000 Болт 3/8-24UNF 35 мм
47 70040070000 Шайба крепления ножа
48 C5180 Нож
49 70140460000 Адаптер ножа
50 20660070000 Кожух ремня
51 60150110000 Гайка М6
52 60170810000 Винт самонарезающий 4,2х14
53 70330010000 Пластина прижимная
54 20750040000 Пыльник
55 20390010000 Пластина
56 20400060000 Перегородка деки задняя
57 70180380000 Тяга рычага регулировки высоты колес
58 60410080000 Пружина
59 20160060000 Заглушка деки
60 20460030000 Гайка пластиковая
61 70740310130 Дека
62 20590020000 Заглушка (проход троса)
63 60370020000 Кольцо уплотнительное
64 20460010000 Штуцер для подключения воды
65 70060050130 Скоба
66 60170580000 Винт самонарезающий М6х10
67 60390060000 Пружина
68 70030060000 Ось
69 20110030000 Направляющая бокового выброса
70 20120060000 Крышка отсека выброса
71 20200040000 Накладка передняя
72 60040150000 Болт мебельный М8х25
73 70450030130 Бампер
74 60040100000 Болт мебельный М8х16
75 70070110130 Кронштейн рукоятки левый
76 60150020000 Гайка М8
77 20390010000 Накладка деки задняя
78 60171980000 Винт самонарезающий 6,3х25
79 70070530130 Кронштейн рукоятки правый
80 60060390000 Болт М8х25
98 20650200000 Корпус защелки бокового выброса
99 20490090000 Защелка
100 60380600000 Пружина
101 60200580000 Прокладка
Оставьте ваши данные и наш менеджер свяжется с вами