Пн-пт 10.00 - 19.00, сб 10.00 - 17.00
8(812) 989-06-96
       8(812) 987-80-20

Главная страница > Каталог запчастей > Каталог запчастей | Champion | запчасти Чемпион по России и СПБ > Каталог запчастей | Генератор | Электростанция Чемпион запчасти | Champion по России и СПБ Каталог запчастей | Генератор | Электростанция Чемпион запчасти | Champion по России и СПБ > DG2200E ГЕНЕРАТОР CHAMPION | Запчасти | ремонт | Каталог запчастей | Генератор | Электростанция Чемпион запчасти | Champion по России и СПБ
7 | Статор - Ротор - Блок AVR | Запчасти для генератора чемпион | DG2200E | Поставка по России |
7  | Статор - Ротор - Блок AVR | Запчасти для генератора чемпион | DG2200E  | Поставка по России |
Ссылка № Артикул Кол-во Наименование Включая Цена
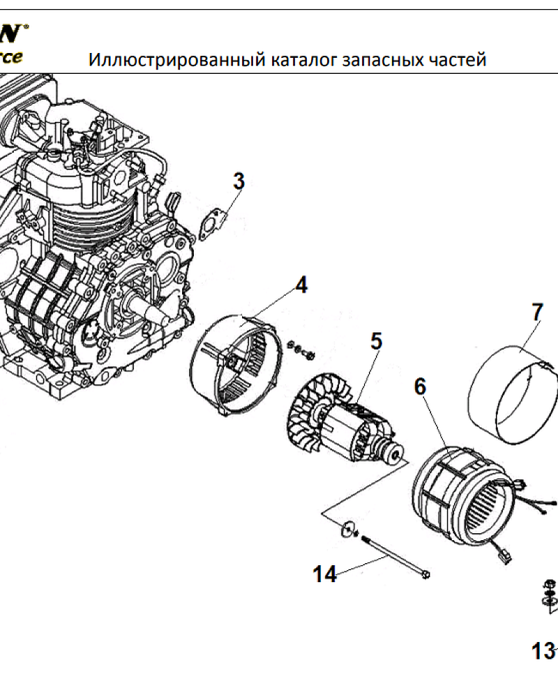
1 029043100001 Глушитель
2 019990000101 Регулятор зарядки АКБ
3 3049010200900 Прокладка глушителя
4 029030200307 Крышка генератора сторона двигателя
5 062024120002 Ротор
6 062024130001 Статор
7 029030101300 Защита статора
8 029030400800 Крышка генератора сторона AVR
9 511050615001 Болт М6х150
10 029030500101 Соединительная колодка
11 029030700200 Щетки коллекторные
12 029030300314 Защитная крышка
13 029030610201 Блок AVR
14 511080819501 Болт крепления ротора
Оставьте ваши данные и наш менеджер свяжется с вами