Пн-пт 10.00 - 19.00, сб 10.00 - 17.00
8(812) 989-06-96
       8(812) 987-80-20

Главная страница > Каталог запчастей > Каталог запчастей | Champion | запчасти Чемпион по России и СПБ > Каталог запчастей | Генератор | Электростанция Чемпион запчасти | Champion по России и СПБ Каталог запчастей | Генератор | Электростанция Чемпион запчасти | Champion по России и СПБ > DG3600E ГЕНЕРАТОР CHAMPION | Запчасти | ремонт | Каталог запчастей | Генератор | Электростанция Чемпион запчасти | Champion по России и СПБ
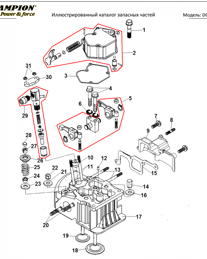
1 | Картер | Запчасти для генератора чемпион | DG3600E | Поставка по России |
1  | Картер | Запчасти для генератора чемпион | DG3600E  | Поставка по России |
Ссылка № Артикул Кол-во Наименование Включая Цена
1 511050605503 Болт М6х55
2 019990012100 Крышка клапанов комплект
3 019990012200 Прокладка крышки клапанов
4 511050604503 Болт М6х45
5 011020100000 Коромысло клапана комплект
6 513010600002 Шайба 6
7 511050602803 Болт М6х28
8 019990008700 Шпилька крепления корпуса фильтра
9 011020004000 Впускной коллектор
10 019990008500 Уплотнительное кольцо форсунки
11 516030605503 Шпилька М6х55
12 514010400800 Штифт 4х8
13 516030605503 Шпилька М6х75
14 011020000400 Гайка крепления головки
15 011020001500 Прокладка коллектора
16 011020000300 Шайба
17 011020001600 Головка цилиндра
18 011020001700 Впускной клапан
19 011020001800 Выпускной клапан
20 516030802003 Шпилька М8х20
21 011020000300 Шайба
22 011020000600 Гайка крепления головки
23 019990012000 Шайба
24 522010101501 Колпачек маслосъемный
25 011020001900 Пружина клапана
26 011020002000 Тарелка пружины клапана
27 011020002200 Сухарь клапана
28 302030201600 Колпачек клапана
29 019990010100 Форсунка комплект
30 019990008300 Плата крепления форсунки
31 512030600002 Гайка М6
Оставьте ваши данные и наш менеджер свяжется с вами