Пн-пт 10.00 - 19.00, сб 10.00 - 17.00
8(812) 989-06-96
       8(812) 987-80-20

Главная страница > Каталог запчастей > Каталог запчастей | Champion | запчасти Чемпион по России и СПБ > Каталог запчастей | Виброплита Чемпион запчасти | Трамбовка Champion по России и СПБ Каталог запчастей | Виброплита Чемпион запчасти | Трамбовка Champion по России и СПБ > PC6337F ВИБРОПЛИТА БЕНЗИНОВАЯ CHAMPION | Запчасти | ремонт | Каталог запчастей | Виброплита Чемпион запчасти | Трамбовка Champion по России и СПБ
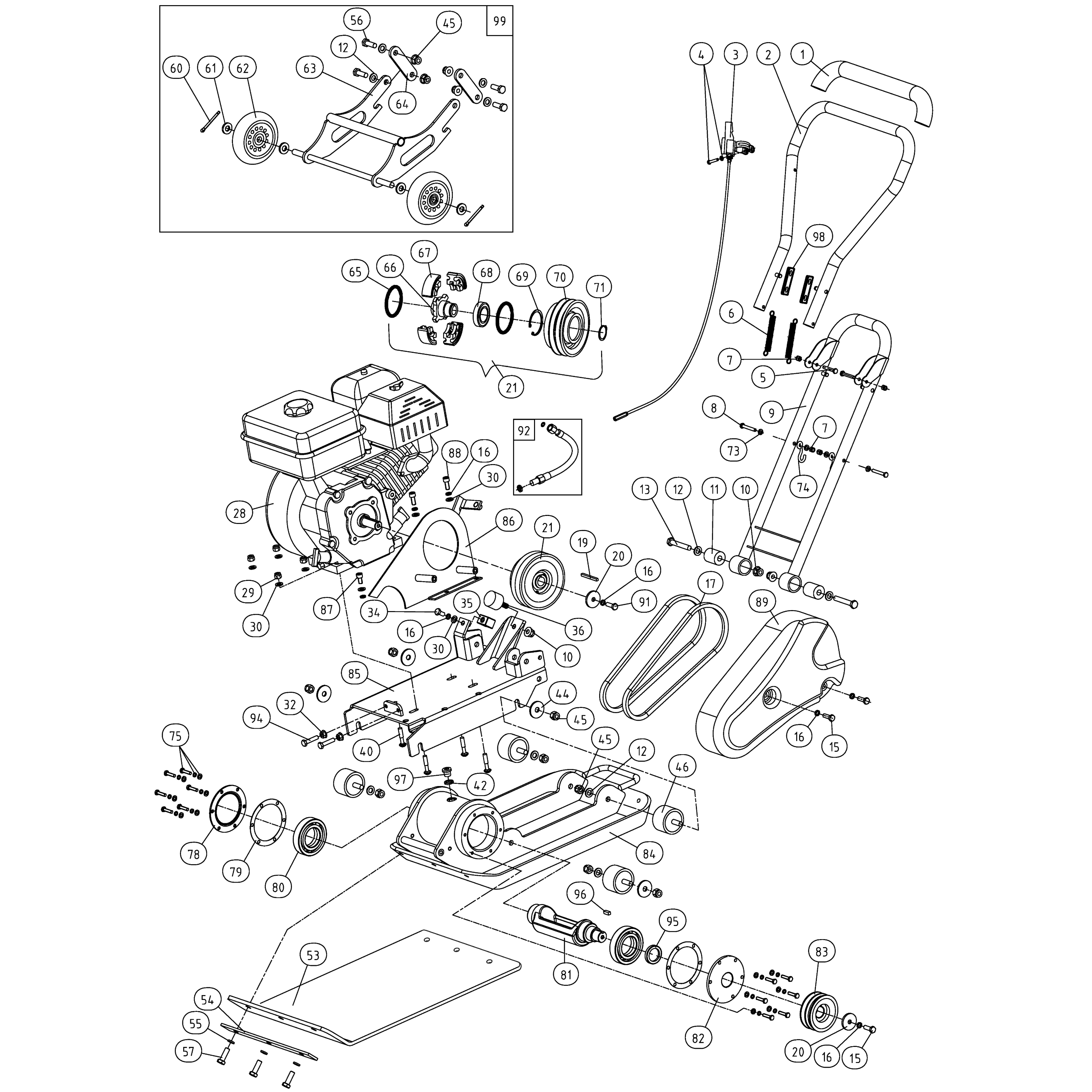
1 | РЕМЕНЬ - ШКИВ - ВИБРАТОР - СЦЕПЛЕНИЕ | Запчасти для виброплиты чемпион | PC6337F | Поставка по России |
1  | РЕМЕНЬ - ШКИВ - ВИБРАТОР - СЦЕПЛЕНИЕ  | Запчасти для виброплиты чемпион | PC6337F | Поставка по России |
Ссылка № Артикул Кол-во Наименование Включая Цена
1 2914210108 Накладка рукоятки
2 2914210110 Рукоятка, верхняя часть
3 5010369 Рычаг газа, комплект с тросом
4 GBT8182000-5-30 Винт М5х30 с шайбой
5 2010062 Болт М6х50
6 2914210109 Пружина
7 2030008 Гайка самоконтрящаяся М6
8 2010060 Болт М6х40
9 2914210010 Рукоятка, нижняя часть до 2020г
9 2914210010C Рукоятка, нижняя часть c 2021г
10 2030076 Гайка самоконтр. с фланцем М10
11 2914210106 Втулка резиновая прямая до 2020г
11 2936010113-1 Втулка резиновая с буртиком с 2021г
12 2040004 Шайба D10
13 2010027 Болт М10х65
15 2010067 Болт М8х20
16 2040011 Шайба гроверная D8
17 2080069 Ремень клиновой A725Li 755Ld
19 2050087 Шпонка 5х5х35
20 2914260907 Шайба
21 8071161 Шкив ведущий и сцепление в сборе
28 28 Двигатель G160F K1526
29 2030009 Гайка самоконтрящаяся М8
30 2040003 Шайба D8
32 2030027 Гайка с рельефным фланцем М8
34 2010066 Болт М8х16
35 2914240906 Демпфер хода рукоятки верхний
36 2914240907 Демпфер хода рукоятки нижний
40 2010136 Болт мебельный М8х40
42 2040048 Шайба с резиновым кольцом D14
44 2914260909 Шайба 11х38х3
45 2030010 Гайка самоконтрящаяся М10
46 2914250905 Демпфер
53 C1709 Ковер для виброплиты 2914260901
54 2914260010 Пластина прижимная
55 2040012 Шайба гроверная D10
56 2010080 Болт М10х30
57 2010078 Болт М10х20
60 2050135 Шплинт 2,5х25
61 2040005 Шайба D12
62 2914270902 Колесо
63 2914270020 Рама колесная
64 2914270901 Пластина соединительная
65 2914240903 Пружина муфты сцепления
66 2914240901 Ступица сцепления
67 2914240904A Колодка фрикционная
68 2060111 Подшипник 6006 2RS
69 2040070 Кольцо стопорное D55
70 2914240902 Шкив сцепления пустой
71 2040090 Кольцо стопорное D30
75 2010228 Болт М6х20 + шайба + гровер
78 2914250904 Крышка подшипника правая
79 5060035 Прокладка
80 2060117 Подшипник 6209
81 5050837 Вал эксцентрик
82 2914250902 Крышка подшипника левая
83 8050753 Шкив ведомый
84 2914250010 Плита вибратора
85 2914240041 Рама крепления двигателя
86 2914240061 Суппорт кожуха ремня
87 2020200 Винт М8х14
88 2020190 Винт М8х20
89 2914200901 Кожух ремня защитный
91 2010068 Болт М8х25
92 5010356 Шланг сливной + шайба упл. D10 + кольцо резиновое 6х1.8
94 2010073 Болт М8х45
95 2070086 Сальник 30х42х6
96 2050134 Шпонка 6х18
97 2914260908 Пробка резьбовая М14х1,5
98 2914210113 Пластина
99 C1707 Тележка транспортировочная
Оставьте ваши данные и наш менеджер свяжется с вами