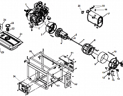
Главная страница > Каталог запчастей | Champion | запчасти Чемпион по России и СПБ > Каталог запчастей | Генератор | Электростанция Чемпион запчасти | Champion по России и СПБ Каталог запчастей | Генератор | Электростанция Чемпион запчасти | Champion по России и СПБ > GG3300 ГЕНЕРАТОР CHAMPION | Запчасти | ремонт | Каталог запчастей | Генератор | Электростанция Чемпион запчасти | Champion по России и СПБ > GG3300 | до 12.11.2020 года | ГЕНЕРАТОР CHAMPION | Запчасти | ремонт | Каталог запчастей | Генератор | Электростанция Чемпион запчасти | Champion по России и СПБ
