Пн-пт 10.00 - 19.00, сб 10.00 - 17.00
8(812) 989-06-96
       8(812) 987-80-20

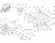
Главная страница > Каталог запчастей | Champion | запчасти Чемпион по России и СПБ > Каталог запчастей | Мотопомпа | Чемпион запчасти | Champion по России и СПБ Каталог запчастей | Мотопомпа Чемпион запчасти | Champion по России и СПБ > GTP101E МОТОПОМПА CHAMPION | Запчасти | ремонт | Каталог запчастей | Мотопомпа Чемпион запчасти | Champion по России и СПБ > GTP101E | до 2020 года | МОТОПОМПА CHAMPION | Запчасти | ремонт | Каталог запчастей | Мотопомпа Чемпион запчасти | Champion по России и СПБ

GTP101E | до 2020 года | МОТОПОМПА CHAMPION | Запчасти | ремонт |



                                                                                                                                                              
  Доставка по России       Официальный сервис         Оригинальные запчасти


  Для быстрой обработке заказа по телефону скажите, пожалуйста, артикул запчасти. 

  Если Вы не нашли свою продукцию, сообщите нам на электронную почту benzolider@yandex.ru свою модель, и мы обязательно ее добавим.


  ДОСТАВКА ПО РОССИИ

Доставка осуществляется по всей территории Российской Федерации. Доставка по стране осуществляется любым удобным способом. Мы предпочитаем работать с "Деловыми Линиями", "ПЭК"

"Почта России" "BOXBERRY". малогабаритные посылки дешевле всех.


  Для сервисных центров действует специальная программа скидок.


Оставьте ваши данные и наш менеджер свяжется с вами